EN
新机销售电话:020-81585016
配件销售电话:020-81801008
您的位置:首页 > 产品中心产品中心 · Product
6缸
  • 产品详细
  • 详细属性
  • 渔检6缸主机 



    项目Items 单位Unit

    系列Series   230
    型号Model   6230ZC 6230ZC-4
    功率Power kW/Ps 810/1100 960/1300
    转速Speed rpm 750 900
    缸径Bore mm 230 230
    冲程Stroke mm 300 300
    活塞平均速度 Mean piston speed m/s 7.5 9.0
    平均有效压力 BMEP MPa 1.73 1.712
    燃油(气)消耗率Fuel consumption 100%MCR g/kWh 192 192
    85%MCR 190 190
    润滑油消耗率Lube oil consumption g/kWh 1.0 1.0
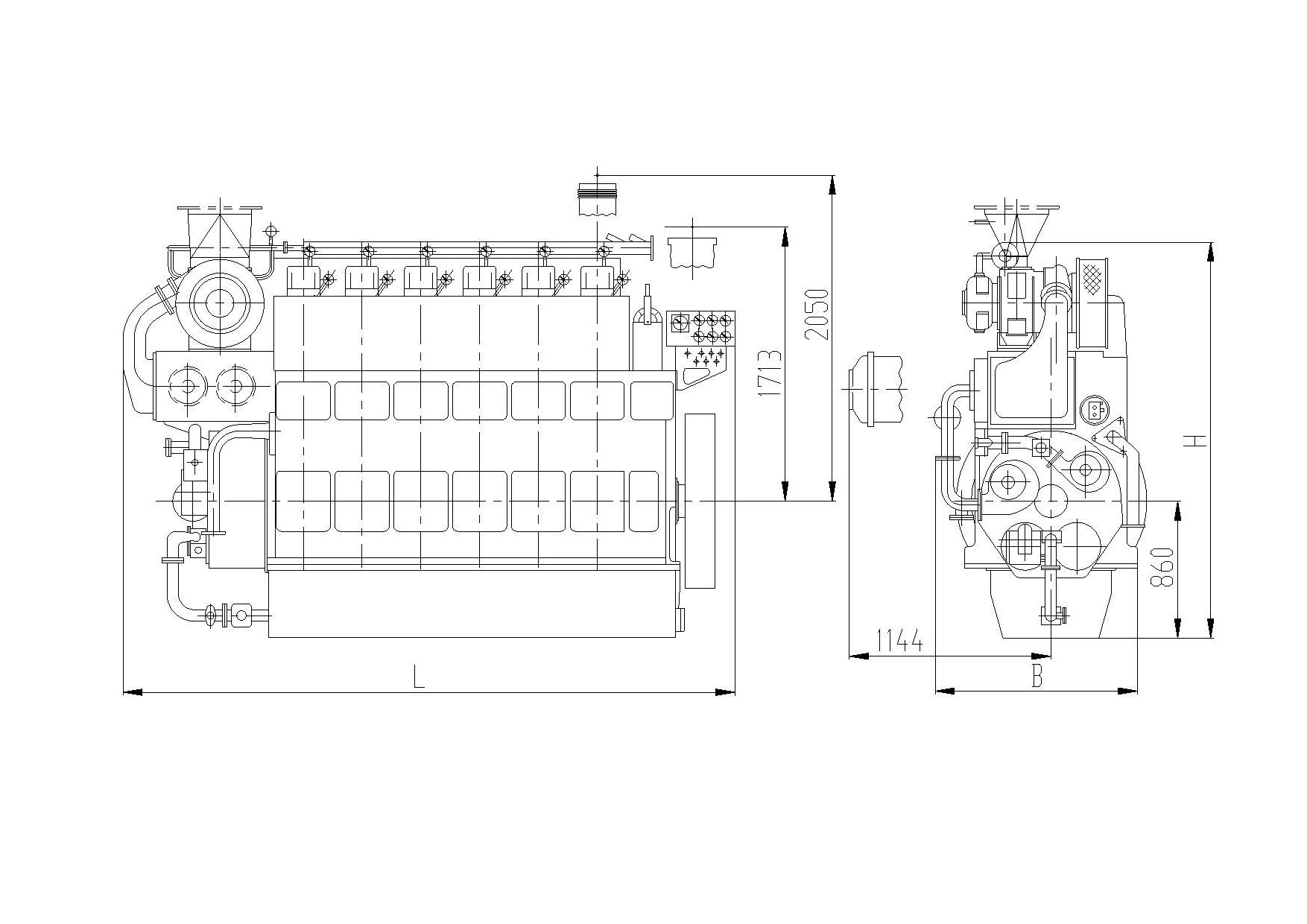
    外形尺寸 Outline dimension      (长×宽×高)(L×B×H) mm 3852×1353.5×2492 3898×1353.5×2543
    重量 Weight kg 11500 11700
    双主机安装最小中心距离 mm 1800 1800
    证书   ZY ZY
    燃料类型Fuel type   LDO/MDO、180-380cSt/50℃ HFO LDO/MDO、180-380cSt/50℃ HFO





    说明Explantions:


    1、各型号发动机的供货范围,按相应技术文件执行。



    The delivery scope for each model engines shall be performed as per the corresponding technical files.
    2、所有机型均可满足IMO TireⅡ的要求。



    All the model engines can meet IMO Tire requirements.



友情链接

粤公网安备 44010302000935号